|
●K61A ガス封入リレー
K61A High Voltage Gas-Filled Relay
35kV A接点タイプ(SPST-NO)
| ■特 長 |
 | ●放電用途に最適・ガス封入リレー |
 | ●超小型35kV耐電圧 セラミックボディー |
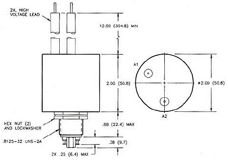
 | ●取付容易な高電圧フライングリード型 |
 | ●気中、悪環境下の仕様に最適 |
 | ●試験機器、医療機器、ESD機器用途 |
 | ●MIL-R-83725適合 |
|
| |
| ■型式について |
 | K61* - # (例: K61A-7) |
| |
 | * - | A:SPST-NO B:SPST-NC C:SPDT |
 | # - | 7:コイル電圧12VDC 8:コイル電圧26.5VDC 9:コイル電圧115VDC |
|