株式会社 コムクラフト
     TOP > 高電圧部品 > KILOVAC > 真空リレー > KC-22 製品案内 採用情報 会社概要 お問い合わせ サイトマップ HOME ENGLISH
製品案内
高電圧部品
通信・マイクロ波部品
RF・大電力部品
X線・センサー機器
航空・宇宙・医療用部品
トータルサプライサービス
ケーブル・コネクタ
コンデンサ
スイッチ・リレー
サイトマップ
 
製品案内

Kilovac
(キロバック:アメリカ)

 
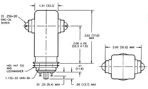
●KC-22 真空リレー
    KC-22 High Voltage Vacuum Relay

   25kV A接点タイプ(SPST-NO)

■特 長
●大電流用真空セラミックリレー
●25kVDC耐圧 65Amp対応
●ホットスイッチング用タングステン接点
●ツインメイクA接点 (SPST-NO)
 
■型式について
 KC-22 -   (例: KC-22-12V)
 
22 - 20:SPST-NO
30:SPST-NC
22:SPST-NO(タングステン接点)
32:SPST-NCタングステン接点)
28:SPST-NO(ガス封入)
38:SPST-NC(ガス封入)
 - 12V:コイル電圧12VDC
無し:コイル電圧26.5VDC
115V:コイル電圧115VDC
諸 元

 
 接点構成 SPST-NO
 接点形式 A接点(X)
 テスト電圧 (DC/60HzAC) 28 [kV]
 動作電圧(Peak) 25 [kV](DC/60Hz)
 連続接点電流(Amp RMS) 65 [A](DC/60Hz)
 コイル最大許容電圧 500 [Vrms](60Hz)
 接点間容量 オープンコンタクト相互間: 2.5 [pF]
オープンコンタクト-GND間: 2.5 [pF]
 接触抵抗(max) 0.005 [Ω]  コイル仕様
 動作時間(max) 18 [ms]  コイル電圧[Vdc] 12 26.5 115
 復旧時間(max) 10 [ms]  感動電圧[Vdc] 8 16 80
 耐衝撃性 30G peak(11ms Half-Sine)  開放電圧[Vdc] 0.5-5 1-10 5-55
 耐振動環境 10G peak(55-500Hz)  コイル抵抗[Ω±10%] 24 120 2000
 動作温度範囲 -55°C 〜125°C  
 機械的寿命 2 x 106回 (無負荷状態) PDFファイル  
 質 量 284 [g]

 ●お見積のご用命、お問合せ等は こちらのフォーム 
   または電子メール info@comcraft.co.jp までお気軽にご連絡下さい。

copyright(C) 2003 COMCRAFT Corporation All Rights Reserved.