株式会社 コムクラフト
     TOP > 高電圧部品 > KILOVAC > 真空リレー > HC-2 製品案内 採用情報 会社概要 お問い合わせ サイトマップ HOME ENGLISH
製品案内
高電圧部品
通信・マイクロ波部品
RF・大電力部品
X線・センサー機器
航空・宇宙・医療用部品
トータルサプライサービス
ケーブル・コネクタ
コンデンサ
スイッチ・リレー
サイトマップ
 
製品案内

Kilovac
(キロバック:アメリカ)

 
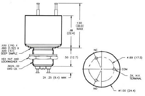
●HC-2 真空リレー
    HC-2 High Voltage Vacuum Relay

   8kV C接点タイプ(SPDT)

■特 長
●コールドスイッチング用ポッティングリレー
●大電流25Ampキャリー (銅接点)
●安定した低接触抵抗値
●MIL-R-83725適合
 
■型式について
 HC- -   (例: HC-2-3)
 
 - 2:コールドスイッチング・RF用
4ホットスイッチング用(タングステン接点)
6:放電用ガス封入
 - 2:コイル電圧12VDC
3:コイル電圧26.5VDC
5:コイル電圧115VDC(オプション)
諸 元

 
 接点構成 SPDT
 接点形式 C接点
 テスト電圧 (DC/60HzAC) 10 [kV]
 動作電圧(Peak) 8 [kV](DC/60Hz)
 連続接点電流(Amp RMS) 25 [A](DC/60Hz)
 コイル最大許容電圧 500 [Vrms](60Hz)
 接触抵抗(max) 0.01 [Ω]  コイル仕様
 動作時間(max) 6 [ms]  コイル電圧[Vdc] 12 26.5 115
 復旧時間(max) 6 [ms]  感動電圧[Vdc] 8 16 80
 耐衝撃性 50G peak(11ms Half-Sine)  開放電圧[Vdc] 0.5-5 1-10 5-50
 耐振動環境 10G peak(55-2000Hz)  コイル抵抗[Ω±10%] 80 335 6000
 動作温度範囲 -55°C 〜125°C  
 機械的寿命 2 x 106回 (無負荷状態) PDFファイル  
 質 量 36 [g]

 ●お見積のご用命、お問合せ等は こちらのフォーム 
   または電子メール info@comcraft.co.jp までお気軽にご連絡下さい。

copyright(C) 2003 COMCRAFT Corporation All Rights Reserved.